
Geg 200 es imthacaí sféarúil sféarúil
*Toisí: 200x290x200 mm
*Meáchan: 32 kg
*Más mian leat níos mó a bheith ar eolas agat, seol ríomhphost chuig: alita@sgsabearing.com
Glaoigh Linn
Product Details ofGeg 200 es imthacaí sféarúil sféarúil
Bileog sonraí táirge
|
|
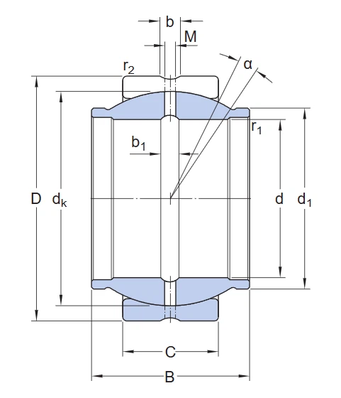
Ainm Bearing | GEG 200 ES |
| Aicmiú táirgí | Imthacaí plain sféarúil | |
| Trastomhas-D bore | 200 mm | |
| Trastomhas-D taobh amuigh | 290 mm | |
| Leithead-B | 200 mm | |
| Leithead fáinne seachtrach -c | 100 mm | |
|
Uillinn tilt |
4 chéim | |
| Rátáil ualach dinimiciúil bhunúsach | 2120 kN | |
| Rátáil bhunúsach ualach statach | 10600 kN | |
| Ualach | 32 kg |
Cur síos ar tháirgí
Modh loingseoireachta: Express, aer, farraige, iarnród . ón tSín go dtí gach cúinne den domhan .
Branda: SKF, SDVV
GEG 200 ES Gné: 1. Tá imthacaí plain sféarúla gathacha deartha chun freastal ar ualaí gathacha, ualaí gathacha agus aiseach comhcheangailte agus mí -ailíniú .
{2. Cuimsíonn an dearadh teaglaim dromchla teagmhála cruach/cruach sleamhnáin agus fáinne inmheánach sínte .
{3. Éilíonn na himthacaí cothabháil agus is féidir iad a athshocrú trí phoill bhealaithe agus trí chrosáin ar an dá fháinne istigh .

Liosta imthacaí comhchosúil
| Múnla | D (mm) | D (mm) | B (mm) |
| GE 90 TXG3A -2 ls | 90 | 130 | 60 |
| Geh 90 es -2 rs | 90 | 150 | 85 |
| Geh 90 ESL -2 ls | 90 | 150 | 85 |
| Geh 90 esx -2 ls | 90 | 150 | 85 |
| Geh 90 txe -2 ls | 90 | 150 | 85 |
| Geh 90 txg3a -2 ls | 90 | 150 | 85 |
| Gez 312 es | 95.25 | 149.225 | 83.337 |
| Gez 312 es -2 rs | 95.25 | 149.225 | 83.337 |
| Gez 312 ESX -2 ls | 95.25 | 149.225 | 83.337 |
| Gezh 312 es | 95.25 | 158.75 | 94.945 |
| Gezh 312 es -2 rs | 95.25 | 158.75 | 94.945 |
| Ge 100 es | 100 | 150 | 70 |
| Ge 100 es -2 ls | 100 | 150 | 70 |
| Ge 100 es -2 rs | 100 | 150 | 70 |
| GE 100 ESL -2 ls | 100 | 150 | 70 |
| Ge 100 esx -2 ls | 100 | 150 | 70 |
| Ge 100 txe -2 ls | 100 | 150 | 70 |
| Ge 100 txg3a -2 ls | 100 | 150 | 70 |
| GEG 100 ES | 100 | 150 | 100 |
| Geg 100 es -2 rs | 100 | 150 | 100 |
| Geh 100 es -2 ls | 100 | 160 | 85 |
| Geh 100 es -2 rs | 100 | 160 | 85 |
| Geh 100 ESL -2 ls | 100 | 160 | 85 |
| Geh 100 esx -2 ls | 100 | 160 | 85 |
| Geh 100 txe -2 ls | 100 | 160 | 85 |
| Geh 100 txg3a -2 ls | 100 | 160 | 85 |
| GEP 100 FS | 100 | 150 | 71 |
| Gez 400 es | 101.6 | 158.75 | 88.9 |
| Gez 400 es -2 rs | 101.6 | 158.75 | 88.9 |
| Gez 400 ESX -2 ls | 101.6 | 158.75 | 88.9 |
Clibeanna Te: GEG 200 ES Plain Plain Plain, an tSín Geg 200 ES Monaróirí Plain Sféarúla, Soláthraithe
'Nar par ya
Gez 400 ES Plain PlainNext2
GEG 70 2 RS Plain PlainGlaoigh Linn
